Интернет-магазин
ТОРТРАНС
Трансформаторы, автотрансформаторы, дроссели и все для их изготовления
ДЛЯ ТЕХ, КТО ЦЕНИТ КАЧЕСТВО И НАДЕЖНОСТЬ
Корзина пуста
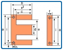
Пластинчатые
Пластинчатые (шихтованные) магнитопроводы броневого типа EI, стержневого типа UI, трехстержневого типа 3UI изготавливаются в соответствии со стандартами IEC из пластин электротехнической стали толщиной 0,5; 0,35;0,27мм и используются при изготовлении трансформаторов, дросселей и автотрансформаторов различных мощностей и исполнений.
© 2020-2026 ТорТранс Все права защищены
Разработчик web-studio NaturalArt




